|
公司基本資料信息
|
|||||||||||||

|
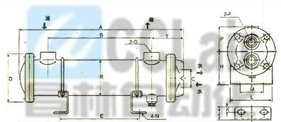
型式
|
A
|
B
|
E
|
C
|
T
|
H
|
P
|
J
|
K
|
L
|
N
|
D
|
R
|
M
|
G
|
F
|
|
DL-303
|
298
|
146
|
104
|
45
|
83
|
70
|
60
|
35
|
15
|
130
|
10.5×25
|
125
|
90
|
85
|
1
|
3/4
|
|
DL-304
|
370
|
218
|
175
|
|||||||||||||
|
DL-305
|
465
|
313
|
271
|
|||||||||||||
|
DL-306
|
535
|
383
|
341
|
|||||||||||||
|
DL-307
|
605
|
453
|
411
|
|||||||||||||
|
DL-308
|
677
|
525
|
483
|
|||||||||||||
|
DL-309
|
752
|
600
|
558
|
|||||||||||||
|
DL-311
|
898
|
746
|
704
|
|||||||||||||
|
DL-410
|
570
|
400
|
348
|
68
|
88
|
85
|
85
|
35
|
15
|
150
|
10.5×25
|
145
|
114.3
|
100
|
1?
|
3/4
|
|
DL-411
|
620
|
450
|
398
|
|||||||||||||
|
DL-413
|
690
|
520
|
468
|
|||||||||||||
|
DL-415
|
767
|
597
|
545
|
|||||||||||||
|
DL-418
|
906
|
736
|
684
|
|||||||||||||
|
DL-421
|
1051
|
881
|
829
|
|||||||||||||
|
DL-424
|
1221
|
1050
|
998
|
|||||||||||||
|
DL-522
|
785
|
590
|
553
|
85
|
95
|
90
|
100
|
50
|
18
|
180
|
13.5×25
|
175
|
140
|
120
|
1?
|
3/4
|
|
DL-527
|
925
|
730
|
673
|
|||||||||||||
|
DL-531
|
1070
|
875
|
818
|
|||||||||||||
|
DL-535
|
1234
|
1040
|
983
|
|||||||||||||
|
DL-544
|
1455
|
1260
|
1203
|
|||||||||||||
|
DL-649
|
1078
|
875
|
805
|
90
|
110
|
110
|
117
|
50
|
18
|
200
|
13.5×25
|
200
|
168
|
152
|
2
|
1
|
|
DL-657
|
1243
|
1040
|
970
|
|||||||||||||
|
DL-668
|
1462
|
1259
|
1189
|
|||||||||||||
|
DL-682
|
1741
|
1538
|
1468
|
|||||||||||||
|
DL-6104
|
2163
|
1960
|
1890
|