|
公司基本資料信息
|
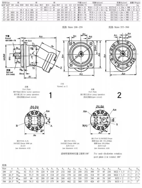
|||||||||||||||







A2F10R*P*A2F10L*P*A2F10W*P*A2F12R*P*A2F12L*P*A2F12W*P*A2F23R*P*A2F23L*P*A2F23W*P*A2F28R*P*A2F28L*P*A2F28W*P*A2F45R*P*A2F45L*P*A2F45W*P*A2F55R*P*A2F55L*P*A2F55W*P*A2F63R*P*A2F63L*P*A2F63W*P*A2F80R*P*A2F80L*P*A2F80W*P*A2F107R*P*A2F107L*P*A2F107W*P*柱塞泵