|
公司基本資料信息
|
|||||||||||||||
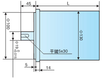
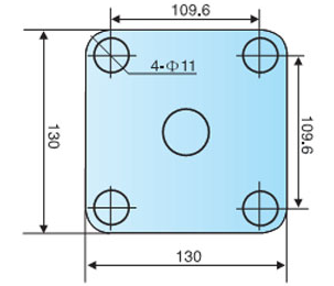
130BYG350A,130BYG350B,130BYG350C,步進(jìn)電機(jī)
工作環(huán)境:
-25°C - +55°C(溫度)
10 -85%不結(jié)露(濕度)
無腐蝕性、易燃易爆、導(dǎo)電性氣
體或液體、無金屬粉塵
絕緣電阻:500V DC 100MΩ Min
軸向間隙:0.1 --- 0.3mm
徑向跳動:0.02mm Max
溫 升:85°C Max
絕緣強(qiáng)度:B





