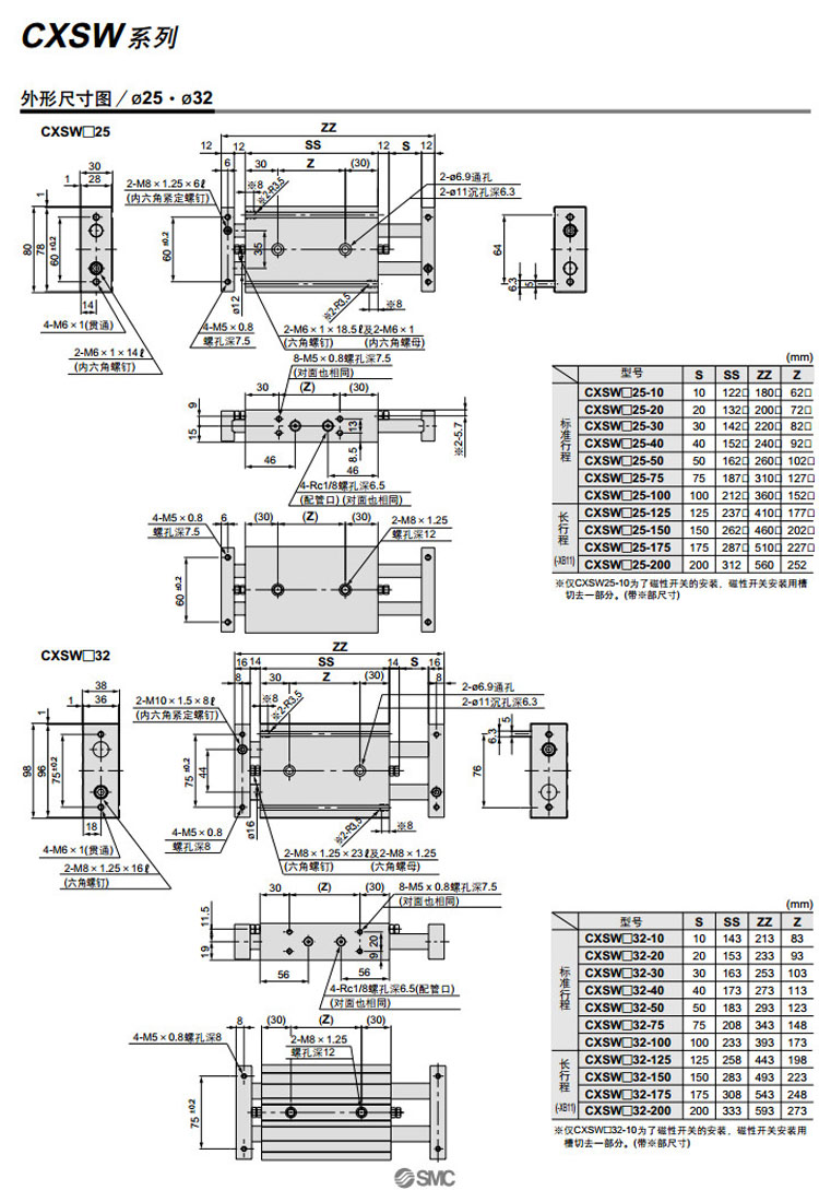
CXSWM6-10,CXSWM10-10,CXSWM15-10,CXSWM20-10,CXSWM25-10,CXSWM32-10,SMC雙聯(lián)氣缸





CXSWM6-20,CXSWM6-30,CXSWM6-40,CXSWM6-50,CXSWM10-20,CXSWM10-30,CXSWM10-40,CXSWM10-50,
CXSWM15-20,CXSWM15-30,CXSWM15-40,CXSWM15-50,CXSWM20-20,CXSWM20-30,CXSWM20-40,CXSWM20-50,
CXSWM20-75,CXSWM20-100,CXSWM25-20,CXSWM25-30,CXSWM25-40,CXSWM25-50,CXSWM25-75,CXSWM25-100,
CXSWM32-20,CXSWM32-30,CXSWM32-40,CXSWM32-50,CXSWM32-75,CXSWM32-100,