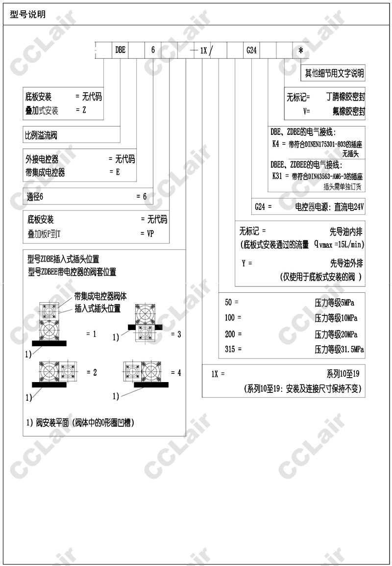
DBE6,DBEE6,ZDBE6,ZDBEE6,DBEE6-1X/315,ZDBEE6VP4-1X/50,DBE6-1X/50,ZDBE6VP1-1X/50,huade三通比例溢流閥
ZDBE6VP1-1X/100,ZDBE6VP1-1X/200,ZDBE6VP1-1X/315,ZDBE6VP2-1X/50,ZDBE6VP2-1X/100,
ZDBE6VP2-1X/200,華德品牌 ZDBE6VP2-1X/315,ZDBE6VP3-1X/50,ZDBE6VP3-1X/100,ZDBE6VP3-1X/200,


ZDBEE6VP1-1X/200,ZDBEE6VP1-1X/315,CCLair ZDBEE6VP2-1X/50,ZDBEE6VP2-1X/100,ZDBEE6VP2-1X/200,
ZDBEE6VP2-1X/315,ZDBEE6VP3-1X/50,ZDBEE6VP3-1X/100,ZDBEE6VP3-1X/200,ZDBEE6VP3-1X/315,
ZDBEE6VP4-1X/100,ZDBEE6VP4-1X/200,ZDBEE6VP4-1X/315,ZDBE6VP3-1X/315,ZDBEE6VP1-1X/100,
DBE6-1X/100,DBE6-1X/200,DBE6-1X/315,huade品牌 DBEE6-1X/50,DBEE6-1X/100,DBEE6-1X/200,