|
公司基本資料信息
|
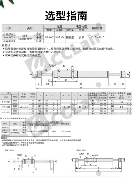
|||||||||||||||







J-WJK01-2035,J-WJK01-2050,J-WJK02-2035,J-WJK02-2050,J-WJK03-2035,J-WJK03-2050,WJK01-2030,WJK01-2035,WJK02-2030,WJK02-2035,WJK03-2030,WJK03-2035,WJK04-2050W,J-WJR01-0806J-WJR01-1007,J-WJR01-1210,J-WJR01-1412,J-WJR01-2015,J-WJR01-2525,J-WJR01-2725油壓緩沖器