|
公司基本資料信息
|
|||||||||||||||
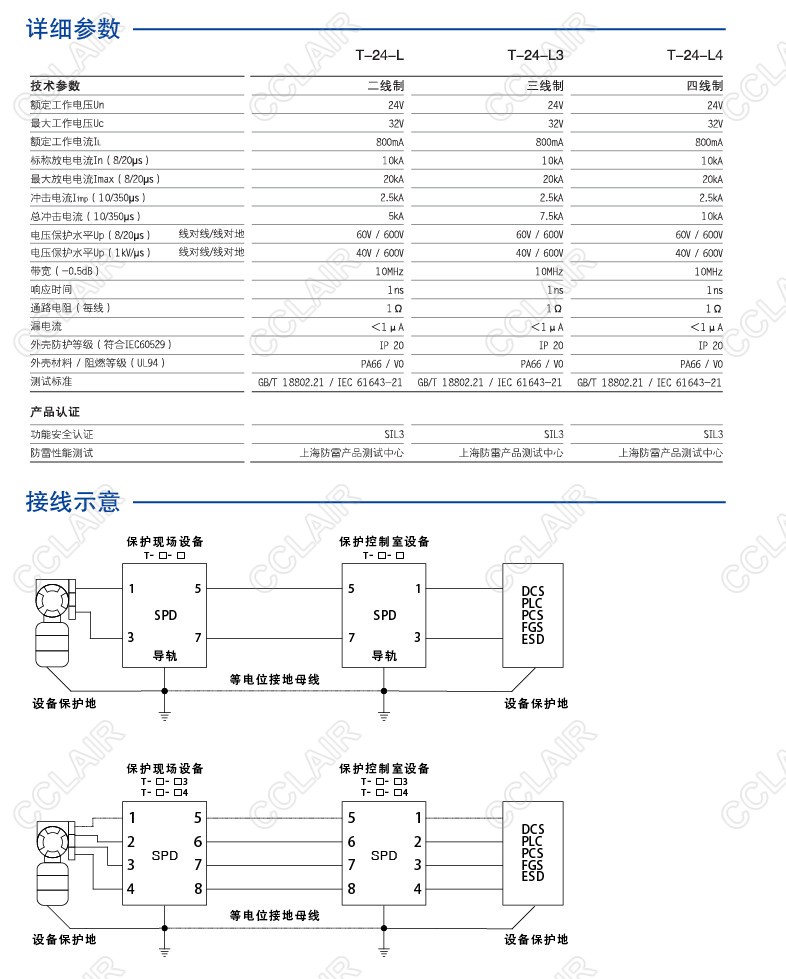
T-24-L 24V電壓系統(tǒng)通用型SPD
24V信號SPD,二線制,適用于線對地隔離電壓>500V信號回路,最大放電電流Imax(8/20us):20kA/線,12.5mm超薄,通過DIN35金屬導軌接地。
T-24-L3 24V電壓系統(tǒng)通用型SPD
24V信號SPD,三線制,適用于線對地隔離電壓>500V信號回路,最大放電電流Imax(8/20us):20kA/線,12.5mm超薄,通過DIN35金屬導軌接地。
T-24-L4 24V電壓系統(tǒng)通用型SPD
24V信號SPD,四線制,適用于線對地隔離電壓>500V信號回路,最大放電電流Imax(8/20us):20kA/線,12.5mm超薄,通過DIN35金屬導軌接地。


