|
How to order
|
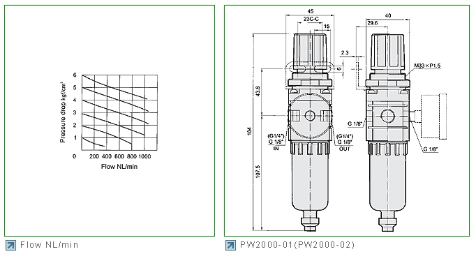
PW2000-01
|
PW2000-02
|
|
Port size
|
G 1/ 8”
|
G 1/ 4”
|
|
Max. supply pressure
|
15 kgf/cm 2
|
|
|
Max. operating pressure
|
9.9 kgf/cm 2
|
|
|
Regulating range
|
0.5~8.5 kgf/cm 2
|
|
|
Gauge port
|
G 1/ 8”
|
|
|
Ambient and media temperature
|
5~ 60 ° C
|
|
|
Filtration
|
Standard :5 μ m Option : 2,10 μ m
|
|
|
Bowl capacity
|
15 cm 3
|
|
|
Bowl material
|
Polycarbonate
|
|
|
Weight
|
0.26 kg
|
|

Accessories
|
How to order
|
Appellation
|
|
AD62
|
Differential pressure type auto drain
|
|
W335
|
Bracket
|
|
K40110
|
1/ 8 PT Pressure gauge 0~10bar
|
客服熱線:



