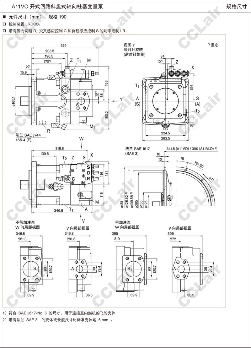
A11VO190,A11VO190LR/11R-NZD12N00,A11VO190DR/11R-NZD12N00,A11VO190DRS/11R-NZD12N00,huade斜盤(pán)式軸向柱塞變量泵
A11VO190DRG/11R-NZD12N00,A11VO190DRL/11R-NZD12N00,A11VO190HD1/11R-NZD12N00,
A11VO190EP1/11R-NZD12N00,A11VO190EP2/11R-NZD12N00,A11VO190HD2/11R-NZD12N00,












客服熱線:



