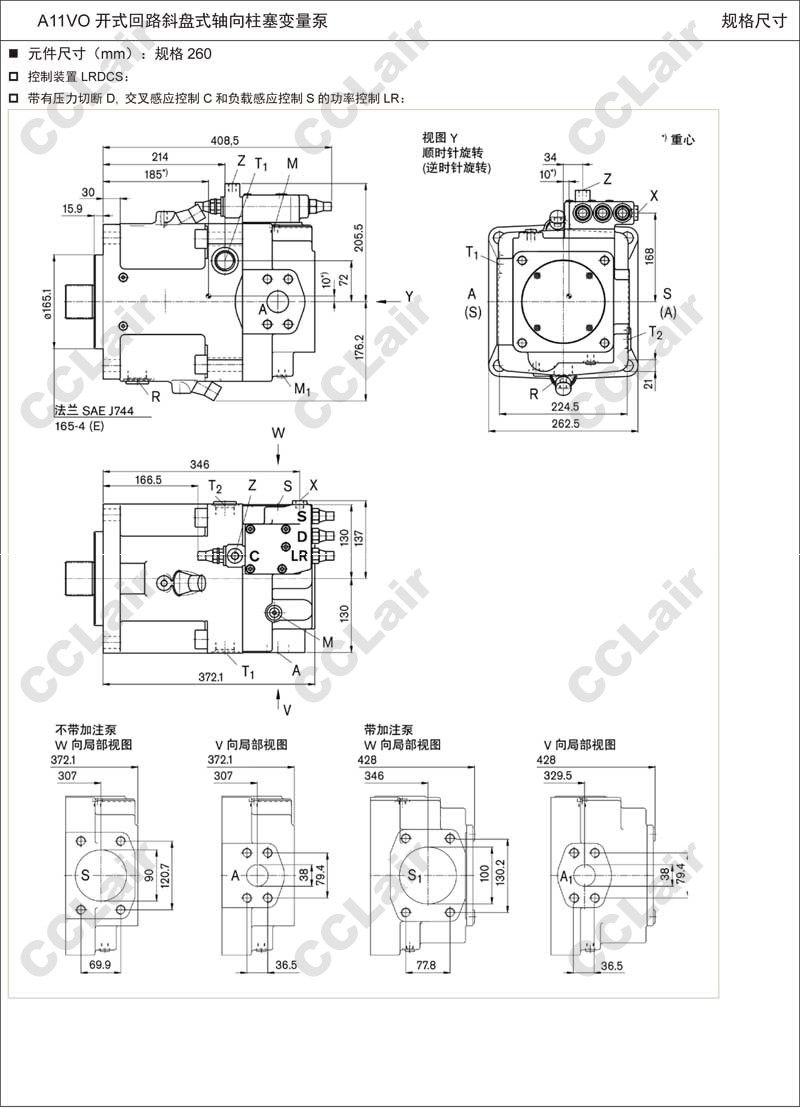
A11VO260,A11VO260LR/11R-NZD12N00,A11VO260DR/11R-NZD12N00,A11VO260HD1/11R-NZD12N00,huade斜盤式軸向柱塞變量泵
A11VO260DRS/11R-NZD12N00,A11VO260DRG/11R-NZD12N00,A11VO260DRL/11R-NZD12N00,
A11VO260HD2/11R-NZD12N00,A11VO260EP1/11R-NZD12N00,華德品牌 A11VO260EP2/11R-NZD12N00,












客服熱線:



