


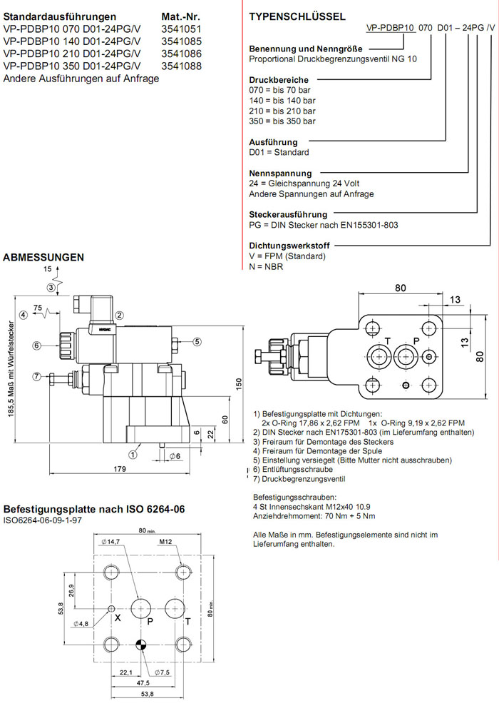
VP-PDB10070D01-24PG/V,VP-PDB10140D01-24PG/V,VP-PDB10210D01-24PG/V,VP-PDB10350D01-24PG/V,HYDAC比例溢流閥
站內搜索
|
首頁 > 產品&解決方案 > VP-PDB10070D01-24PG/V,VP-PDB10140D01-24PG/V,VP-PDB10210D01-24PG/V,VP-PDB10350D01-24PG/V,HYDAC比例溢流閥
VP-PDB10070D01-24PG/V,VP-PDB10140D01-24PG/V,VP-PDB10210D01-24PG/V,VP-PDB10350D01-24PG/V,HYDAC比例溢流閥 詳細信息 VP-PDB10070D01-24PG/V,VP-PDB10140D01-24PG/V,VP-PDB10210D01-24PG/V,VP-PDB10350D01-24PG/V,HYDAC比例溢流閥
共0條 相關評論 |