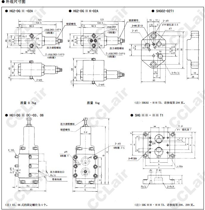
HG2-DG1-02A,HG2-DG2-02A,HG2-DG1K-02A,無錫昌林HG2-DG2K-02A,HG2-DG3K-02A,HG2-DG4K-02A,
HG1-DG1-03,HG1-DG2-03,HG1-DG3-03,HG1-DG1K-03,
HG1-DG2K-03,HG1-DG3K-03,無錫昌林HG1-DG1-06,HG1-DG2-06,HG1-DG2K-06,HG1-DG3K-06,



液壓泵,液壓馬達,壓力控制閥,方向控制閥,疊加閥,流量控制閥,電流控制閥,附屬機器,多功能閥普通會員
站內搜索
|
HG2-DG,HG1-DG,HG2-DG3-02A,HG2-DG4-02A,HG1-DG3-06,HG1-DG1K-06,直動式減壓閥
詳細信息 HG2-DG,HG1-DG,HG2-DG3-02A,HG2-DG4-02A,HG1-DG3-06,HG1-DG1K-06,直動式減壓閥
HG2-DG1-02A,HG2-DG2-02A,HG2-DG1K-02A,無錫昌林HG2-DG2K-02A,HG2-DG3K-02A,HG2-DG4K-02A,
HG1-DG1-03,HG1-DG2-03,HG1-DG3-03,HG1-DG1K-03,
HG1-DG2K-03,HG1-DG3K-03,無錫昌林HG1-DG1-06,HG1-DG2-06,HG1-DG2K-06,HG1-DG3K-06,
![]() ![]() ![]() 共0條 相關評論 |